Humminbird 100, 300, 500, 700 Series, Matrix Series and Lowrance Elite-5 Series RAM-107BU
RAM 1.5″ Ball Marine Electronic “RUGGED USE” Base for the
The RAM-107BU is a marine grade aluminum base with 1.5″ rubber ball. The base connects to the underside of Humminbird and Raymarine marine GPS devices.
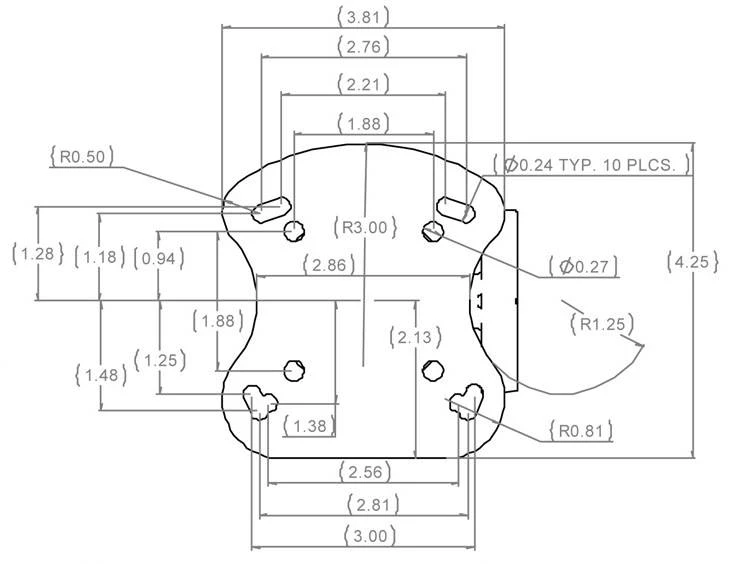
Plate Hole Patterns
Specs & Features
Ball Size:
1.5″ Rubber Ball Size
Material:
Powder Coated Marine Grade Aluminum
Note:
The “U” in the part number reflects product packaged in poly bag. The RAM-107BU is a “rugged use” base, designed to hold large marine electronic devices.
Weight:
0.32 lbs.
Compatible Devices
Humminbird 700 Series
Humminbird 500 Series
Humminbird 300 Series
Humminbird 100 Series
Humminbird Matrix Series (excluding Matrix 97)
Lowrance Elite-5
Lowrance Elite-5M
Lowrance Elite-5X
Raymarine Apelco Fishfinders












Reviews
There are no reviews yet.